46130
产品概述
品牌:国磁通GCT
品名:铁氧体磁环
产品适用线径:23.0mm
参考单重:82.9g
每箱包装数量:180 pcs
工作温度范围:-40℃ ~ 85℃
产品应用领域:游戏机、电脑,玩具、家用电器,办公设备、安监产品等
说明事项:可根据实际使用情况及线径粗细进行使用数量及绕线圈数的增加
- EMI / EMC 对策用夹扣式铁氧体磁芯 46130 型 产品详细介绍资料
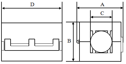
产品平面图:
产品尺寸:(mm)
A B C D 32.0±1.00
30.5±1.0
23.0±1.0
32.5±1.0
电气特性:
AT 25MHZ
125Ω MIN
AT 100MHZ
200Ω MIN
测试仪器
HP 4191A
测试夹具
HP 4286
绕线方式
0.65T.C.W*120mm*0.5TS
测试温度
25℃
测试湿度
65%
参考单重:
82.9g
抽测数据:
项目
AT 25MHZ
AT 100MHZ
A B C D 参考值
125Ω min
200Ω min
32.0±1.00
30.5±1.0
23.0±1.0
32.5±1.0
1 137.4
247.72
32.13
30.47
23.12
32.33
2 142.51
250.16
32.09
30.38
23.21
32.45
3 141.73
245.55
32.06
30.51
23.09
32.40
4 155.52
249.59
32.11
30.46
23.13
32.31
5 145.62
259.56
32.12
30.55
23.09
32.29
x-bar
144.56 250.52 32.10 30.47 23.13 32.36 R 18.12 14.01 0.07 0.17 0.12 0.16
参考的曲线图:
材料特性:
初始磁导率 µi±30%
800
矫顽力HC(A/m)
20
居里温度Tc (℃)
>110
比损耗因子 Tan ð/µi x 10-6
16(0.1MHz)
电阻率ρ(Ω•m)
>105
比温度系数 ɑ ð/γ x10-6
5-10
饱合磁通密度 Bs (MT)
350(1600A/m)
使用范围F MHz
1-1000
剩磁 Br (MT)
200
密度d g/cm3
4.7
构成主要成分:成份
CAS 編號
EC 编号
比率
Fe2O3
1309-37-1
215-168-2
55.5%~73.5%
ZnO
1314-13-2
215-222-5
14%~22%
MgO
1309-48-4
215-171-9
1%~9%
MnCO3
598-62-9
209-942-9
1%~15%
CuO
1317-38-0
215-269-1
1%~8%

