4665
产品概述
品牌:国磁通GCT
品名:铁氧体磁环
产品适用线径:6.5mm
参考单重:31.6g
每箱包装数量:400 pcs
工作温度范围:-40℃ ~ 85℃
产品应用领域:游戏机、电脑,玩具、家用电器,办公设备、安监产品等
说明事项:可根据实际使用情况及线径粗细进行使用数量及绕线圈数的增加
- EMI / EMC 对策用夹扣式铁氧体磁芯 4665 型 产品详细介绍资料
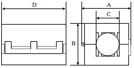
产品平面图:
产品尺寸:(mm)
A B C D 20.5±1.00
19.5±1.0
6.5±0.8
32.5±1.0
电气特性:
AT 25MHZ
77Ω MIN
AT 100MHZ
230Ω MIN
测试仪器
HP 4191A
测试夹具
HP 4286
绕线方式
0.65T.C.W*120mm*0.5TS
测试温度
25℃
测试湿度
65%
参考单重:
31.6g
抽测数据:
项目
AT 25MHZ
AT 100MHZ
A B C D 参考值
77Ω min
230Ω min
20.5±1.00
19.5±1.0
6.5±0.8
32.5±1.0
1 82.82
282.15
20.47
19.57
6.72
32.93
2 80.78
279.36
20.52
19.59
6.63
32.87
3 86.35
280.15
20.49
19.62
6.75
32.95
4 85.42
285.64
20.49
19.56
6.71
32.97
5 88.21
277.37
20.51
19.59
6.73
32.95
x-bar
84.72 280.93 20.50 19.59
6.71
32.93 R 7.43 8.27 0.05 0.06 0.12 0.10
参考的曲线图:
材料特性:
初始磁导率 µi±30%
800
矫顽力HC(A/m)
20
居里温度Tc (℃)
>110
比损耗因子 Tan ð/µi x 10-6
16(0.1MHz)
电阻率ρ(Ω•m)
>105
比温度系数 ɑ ð/γ x10-6
5-10
饱合磁通密度 Bs (MT)
350(1600A/m)
使用范围F MHz
1-1000
剩磁 Br (MT)
200
密度d g/cm3
4.7
构成主要成分:
成份
CAS 編號
EC 编号
比率
Fe2O3
1309-37-1
215-168-2
55.5%~73.5%
ZnO
1314-13-2
215-222-5
14%~22%
MgO
1309-48-4
215-171-9
1%~9%
MnCO3
598-62-9
209-942-9
1%~15%
CuO
1317-38-0
215-269-1
1%~8%

