4650
产品概述
品牌:国磁通GCT
品名:铁氧体磁环
产品适用线径:5.0mm
参考单重:9.7g
每箱包装数量:800 pcs
工作温度范围:-40℃ ~ 85℃
产品应用领域:游戏机、电脑,玩具、家用电器,办公设备、安监产品等
说明事项:可根据实际使用情况及线径粗细进行使用数量及绕线圈数的增加
- EMI / EMC 对策用夹扣式铁氧体磁芯 4650 型 产品详细介绍资料
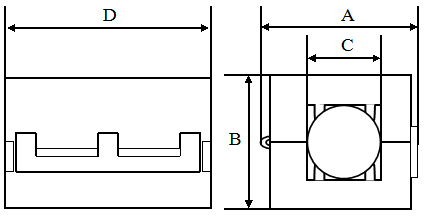
产品平面图:
产品尺寸:(mm)
A B C D 15.0±1.00
14.0±1.0
5.0±0.8
23.0±1.0
电气特性:
AT 25MHZ
64Ω MIN
AT 100MHZ
140Ω MIN
测试仪器
HP 4191A
测试夹具
HP 4286
绕线方式
0.65T.C.W*120mm*0.5TS
测试温度
25℃
测试湿度 65%
参考单重:
9.7g
抽测数据:
项目
AT 25MHZ
AT 100MHZ
A B C D 参考值
64Ω min
140Ω min
15.0±1.00
14.0±1.0
5.0±0.8
23.0±1.0
1 73.36
167.62
15.12
13.89
5.03
23.12
2 73.54
159.92
15.08
14.02
5.05
23.11
3 75.15
156.26
15.11
13.92
5.01
23.09
4 74.38
162.62
15.06
14.21
5.02
23.09
5 73.63
159.86
15.08
13.99
5.02
23.01
x-bar
74.01 161.26 15.09
14.01 5.03 23.08 R 1.79 11.36 0.06 0.32 0.04 0.11
参考的曲线图:
材料特性:
初始磁导率 µi±30%
800
矫顽力HC(A/m)
20
居里温度Tc (℃)
>110
比损耗因子 Tan ð/µi x 10-6
16(0.1MHz)
电阻率ρ(Ω•m)
>105
比温度系数 ɑ ð/γ x10-6
5-10
饱合磁通密度 Bs (MT)
350(1600A/m)
使用范围F MHz
1-1000
剩磁 Br (MT)
200
密度d g/cm3
4.7
构成主要成分:成份
CAS 編號
EC 编号
比率
Fe2O3
1309-37-1
215-168-2
55.5%~73.5%
ZnO
1314-13-2
215-222-5
14%~22%
MgO
1309-48-4
215-171-9
1%~9%
MnCO3
598-62-9
209-942-9
1%~15%
CuO
1317-38-0
215-269-1
1%~8%

