361003
产品概述
品牌:国磁通GCT
品名:铁氧体磁环
产品适用线径:3.5mm
参考单重:7.8g
每箱包装数量:1144 pcs
工作温度范围:-40℃ ~ 85℃
产品应用领域:游戏机、电脑,玩具、家用电器,办公设备、安监产品等
说明事项:可根据实际使用情况及线径粗细进行使用数量及绕线圈数的增加
- EMI / EMC 对策用夹扣式铁氧体磁芯 361003型 产品详细介绍资料
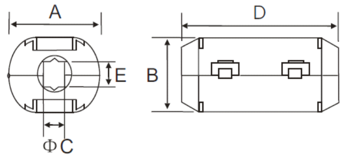
产品平面图:
产品尺寸:(mm)
A
B
C
D
E
13.0±1.00
13.0±1.00
3.5±0.80
25.2±1.00
2.5±0.8
电气特性:AT 25MHZ
90Ω MIN
AT 100MHZ
202Ω MIN
测试仪器
HP 4191A
测试仪器
HP 4286
测试夹具
0.65T.C.W*120mm*0.5TS
绕线方式
25℃
测试温度
65%
参考单重:
7.8g
抽测数据:
项目
AT 25MHZ
AT 100MHZ
A B C D E 参考值
90Ω min
202Ω min
13.0±1.00
11.8±1.00
3.5±0.80
25.2±1.00
2.5±1.00
1 103.21
231.35
13.01
12.01
3.35
25.52
2.21
2 106.38
245.65
12.87
12.01
3.42
25.46
2.29 3 105.41
246.38
12.98
11.98 3.51
25.51
2.21
4 102.52
222.31
12.88
11.87 3.37 25.32
2.27 5 110.32
239.46
13.01
11.92 3.39
25.45
2.28
x-bar 105.57 237.03 12.95 11.96 3.41 25.45
2.25 R 7.80 24.07 0.14 0.14 0.16 0.20 0.08
参考的曲线图:
材料特性:
初始磁导率 µi±30%
800
矫顽力HC(A/m)
20
居里温度Tc (℃)
>110
比损耗因子 Tan ð/µi x 10-6
16(0.1MHz)
电阻率ρ(Ω•m)
>105
比温度系数 ɑ ð/γ x10-6
5-10
饱合磁通密度 Bs (MT)
350(1600A/m)
使用范围F MHz
1-1000
剩磁 Br (MT)
200
密度d g/cm3
4.7
构成主要成分:
成份
CAS 編號
EC 编号
比率
Fe2O3
1309-37-1
215-168-2
55.5%~73.5%
ZnO
1314-13-2
215-222-5
14%~22%
MgO
1309-48-4
215-171-9
1%~9%
MnCO3
598-62-9
209-942-9
1%~15%
CuO
1317-38-0
215-269-1
1%~8%

