30多种磁芯优缺点对比!
2019-07-11
30多种磁芯优缺点对比!
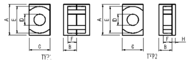
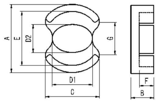
EE、EEL、EF型功率磁芯
特点:引线空间大,绕制接线方便。适用范围广、工作频率高、工作电压范围宽、输出功率大、热稳定性能好。
用途:广泛应用于程控交换机电源、液晶显示屏电源、大功率UPS逆变器电源、计算机电源、节能灯等领域。
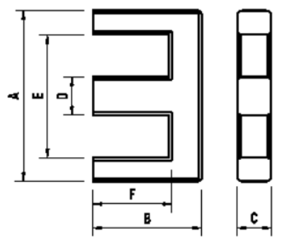
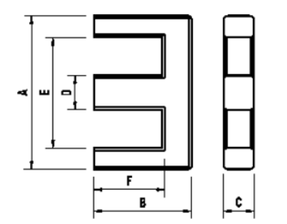
EI型功率磁芯
用途:电源转换变压器及扼流圈、DVD电源、照相机闪光灯、通讯设备及其它电子设备。
PEE、PEI功率磁芯
用途:开关电源变压器,脉冲变压器,电子镇流器等。
ETD型功率磁芯
用途:开关电源,传输变压器,电子镇流器。广泛应用于家电、通讯、照明、医疗设备、办公自动化、军品、OA设备、电子仪器、航空航天等领域。
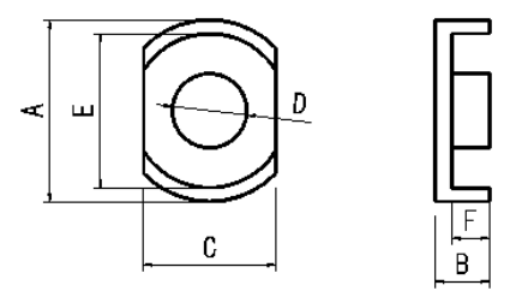
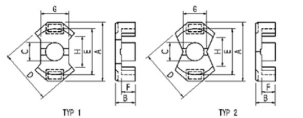
EQ/EQI型功率磁芯
特点:具有磁屏蔽效果好、分布电容小、传输衰耗低、电感量高、漏感小、磁场分布均匀等优点,且骨架配有多路接头,易设计多路输出变压器。
用途:宽带变压器、电感器、隔离变压器、匹配变压器,广泛应用于程控交换机终端和精密电子设备等领域。
EFD型功率磁芯
特点:具有热阻小、衰耗小、功率大、工作频率宽凳使用优点。成品重量轻、结构合理、易表面贴装。
用途:广泛应用于体积小而功率大的变压器,如精密仪器、模块电源、计算机终端输出等。
EPC功率磁芯
用途:广泛应用于体积小而功率大且有屏蔽和电磁兼容要求的变压器,如精密仪器、程控交换机模块电源、导航设备等。
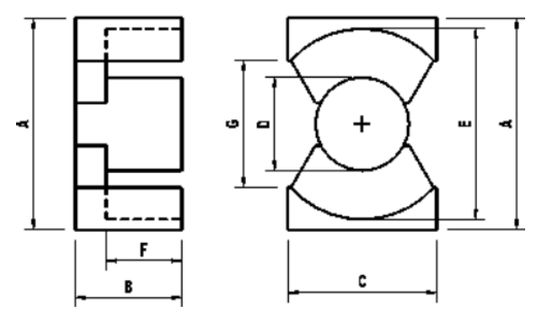
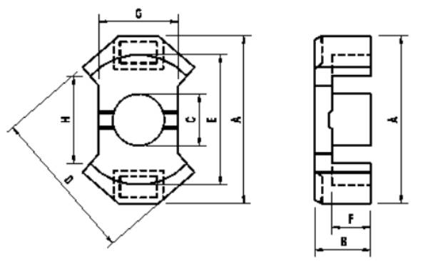
POT功率磁芯
特点:体积小、感抗高、绕线方便、磁屏蔽及散热效果均衡。
用途:载波滤波器、高灵敏度感应器、高效率传感器、电源转换变压器等。
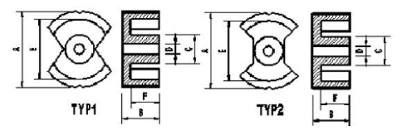
PQ功率磁芯
特点:损耗小,温升低,抗干扰性能好,形状合理,功率范围大(50W-1000W),能有效减少安装体积,备有多个引脚,绕制接线方便。组装成本低,易满足安规要求,但标准化较难。
用途:主功率变压器、驱动变压器、平滑扼流圈、辅助功率变压器。主要应用于网络、通讯、电源、电器设备、医疗等领域。
RM型功率磁芯
特点:磁屏蔽效果好,抗干扰能力强,漏磁小,分布电容低,骨架备有多路引脚,可设计多路输出变 压器,可高密度安装。但散热较差,安规成本较高。
用途:辅助功率变压器、驱动变压器、宽带变压器、载波滤波器、高稳定性滤波器。主要应用于载波通讯、网络、数字、电视、电子仪器等领域。
PM功率磁芯
特点:漏磁小,损耗低,功率大,分布电容小。
用途:主变压器,推动变压器。主要应用于超声波清洗,激光设备等领域。
LM型功率磁芯
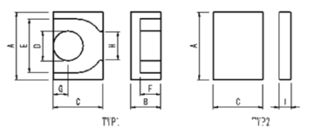
SEP、EPI型功率磁芯
U型功率磁芯
U型高导磁芯
用途:滤波共模变压器。广泛应用于彩电,计算机,显示器等电子设备。
ET、FT型高导磁芯
用途:彩电、显示器、计算机、可视电话、对讲等。
EE、EEL、EF型高导磁芯
特点:引线空间大,绕制接线方便。适用范围广、工作频率高、工作电压范围宽、热稳定性能好。
用途:广泛应用于电源滤波器、EMI滤波器、小型脉冲变压器等领域。
EI型高导磁芯
用途:音频变压器,电源滤波器、EMI滤波器、小型脉冲变压器等领域。
EP型高导磁芯
用途:宽带变压器、电感器、隔离变压器、匹配变压器,广泛应用于程控交换机终端和精密电子设备等领域。
RM型高导磁芯
用途:主要应用于载波通讯、网络、数字、计算机等领域。
T型高导磁芯
特点:输出电流大,损耗小,耐电压,电感高,价格低。但绕线成本高,很难大批量生产。
用途:扼流线圈,EMI/RFI滤波,音频变压器,广泛应用于各类节能灯,音响,控制电路及其它电子设备。

